07
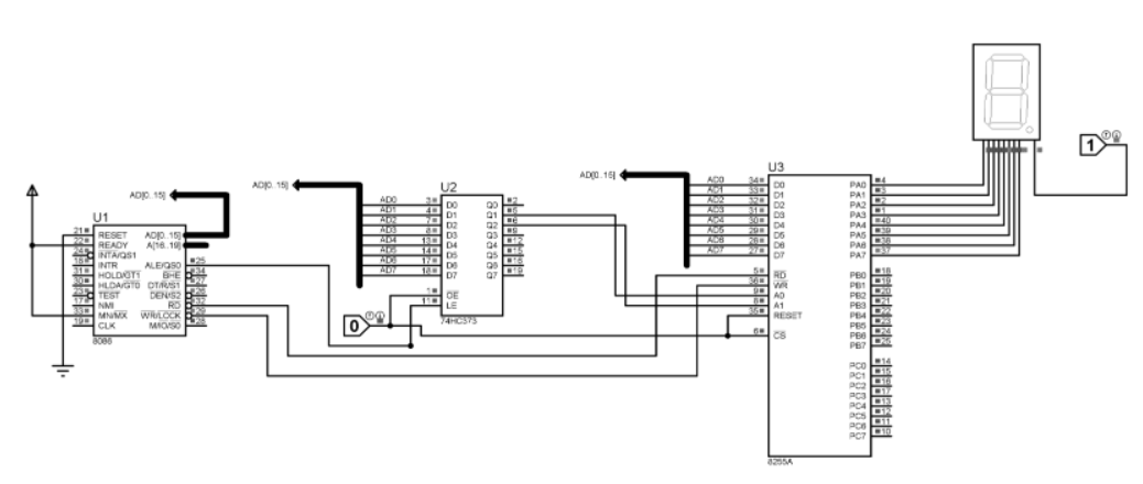
7-Segment LED Interfacing¶

DATA SEGMENT
PORTA EQU 00H
PORTB EQU 02H
PORTC EQU 04H
PORT_CON EQU 06H
DATA ENDS
CODE SEGMENT
MOV AX, DATA
MOV DS, AX
ORG 0000H
START:
MOV DX, PORT_CON MOV AL, 10000000B OUT DX, AL
MOV SI, 0
MOV DI, 0
L0: MOV CX, 1FFFH L1: MOV AL, S1[SI] MOV DX, PORTA OUT DX, AL
LOOP L1
INC SI
CMP SI, 16
JL L0
MOV DX, PORT_CON MOV AL, 10000000B OUT DX, AL
JMP START
ORG 1000H
S1 DB 11000000B
DB 11111001B
DB 10100100B
DB 10110000B
DB 10011001B
DB 10010010B
DB 10000010B
DB 11011000B
DB 10000000B
DB 10010000B
DB 10001000B
DB 10000011B
DB 11000110B
DB 10100001B
DB 10000110B
DB 10001110B
CODE ENDS
END
2023-01-25